Мотор-редукторы планетарные МРВ-02, МРВ-04

Мотор-редукторы планетарные МРВ-02, МРВ-04 купить в Саратове
Малогабаритные промышленные мотор-редукторы планетарного типа МРВ-02, МРВ-04 предназначены для эксплуатации в химической промышленности в качестве устройств перемешивания. Допускается вращение выходного вала в любом направлении без потери скорости и крутящем моменте. Температурный режим при стандартной смазке от –40°C до +50°С. Допускается эксплуатация в условиях повышенной запыленности без содержания агрессивных веществ в пространстве. Зависимости от необходимых характеристик планетарный мотор-редуктор может комплектоваться электродвигателями различной мощности. При соблюдении требований эксплуатации регулярное обслуживание агрегата не требуется.
Цена: от 67 100 руб.
Пример условного обозначения при заказе:
Мотор-редуктор МРВ 02-16-0,25/85 4А63А4 УЗ
Мотор-редуктор типа МРВ 02, с передаточным числом 16, мощностью электродвигателя 0,25 кВт, фактической частотой вращения тихоходного вала 85 об/мин, электродвигателем 4A63А4, климатического исполнения У, категорией размещения 3.
Общее описание:
|
Типоразмер мотор-редуктора |
Передаточное число |
Частота вращения выходного вала, об/мин |
Крутящий момент на выходном валу, Н*м |
Электродвигатель |
Масса мотор-редуктора, кг |
||
|---|---|---|---|---|---|---|---|
|
типоразмер |
Мощность, кВт |
Масса, кг |
|||||
|
МРВ02-0,75 / 355 |
4 |
355 |
20 |
АИР71В4 |
0,75 |
15,7 |
20 |
|
МРВ02-0,75 / 280 |
5,14 |
280 |
25 |
||||
|
МРВ02-0,75 / 180 |
7,7 |
180 |
38 |
||||
|
МРВ02-0,25 / 85 |
16 |
85 |
27 |
АИР63А4 |
0,25 |
6,1 |
12 |
|
МРВ02-0,25 / 56 |
26,42 |
56 |
40 |
||||
|
МРВ02-0,12 / 25 |
26,42 |
25 |
44 |
АИР56А4 |
0,12 |
4,3 |
10 |
|
МРВ04-0,75 / 85 |
16 |
85 |
80 |
АИР71В4 |
0,75 |
15,7 |
26 |
|
МРВ04-0,75 / 56 |
25,2 |
56 |
124 |
||||
|
МРВ04-0,25 / 37,5 |
39,6 |
37,5 |
62 |
АИР63А4 |
0,25 |
6,1 |
16 |
|
МРВ04-0,25 / 25 |
59,44 |
25 |
92 |
||||

|
Габарит |
L, мм |
D4, мм |
Масса, кг |
|---|---|---|---|
|
4А56А4 |
170 |
120 |
4,3 |
|
4А63А4 |
220 |
130 |
6,1 |
|
4A71A4 |
245 |
200 |
15,7 |
|
4A71B4 |
245 |
200 |
15,7 |
|
В63А4 |
245 |
160 |
20 |
|
В71B4 |
265 |
200 |
23 |
ТАБЛ 1. Габаритные размеры комплектующих электродвигателей
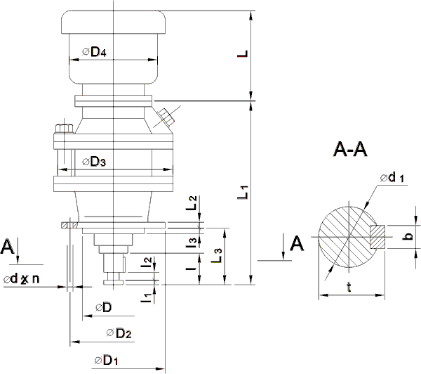
|
Размеры, мм |
МРВ 02 |
МРВ 02 |
МРВ 04 |
|---|---|---|---|
|
D |
80h9 |
80h9 |
110h9 |
|
D1 |
130 |
130 |
175 |
|
D2 |
110 |
110 |
150 |
|
D3 |
152 |
152 |
205 |
|
l |
33 |
33 |
45 |
|
l1 |
2 |
2 |
2 |
|
l2 |
3 |
3 |
3 |
|
l3 |
5 |
5 |
6 |
|
L1max |
160 |
208 |
244 |
|
L2 |
9 |
9 |
10 |
|
L3 |
60 |
60 |
80 |
|
d1 |
18K6 |
18K6 |
22К6 |
|
t |
20,5 |
20,5 |
24,5 |
|
b |
6h9 |
6h9 |
6h9 |
|
d2 |
11 |
11 |
11 |
|
n |
3 |
3 |
4 |
|
Масса без электродвигателя, кг |
5,6 |
5,6 |
11,3 |
ТАБЛ 2. Габаритные размеры комплектующих электродвигателей