Мотор-редукторы планетарные МПО2М-10, МПО2М-15

Мотор-редукторы планетарные МПО2М-10, МПО2М-15 в Саратове
Планетарные мотор-редукторы серии МПО2М представлены двумя модификациями МПО2М-10 и МПО2М-15 каждая из которых рассчитана на эксплуатацию в качестве привода в химической промышленности. Для удобства при монтаже агрегат оснащен лапами либо фланцем, вариант крепления оговаривается при заказе. Режим эксплуатации соответствует российским стандартам S1 (ГОСТ 183-74). Питание осуществляется от сети переменного тока 220 или 380 вольт, переключить показатель напряжения можно в клеммной коробке электродвигателя. По желанию заказчика возможна установка взрывозащищенного электродвигателя общепромышленного или рудничного исполнения.
Цена: от 42 700 руб.
Базовые условия использования планетарного мотор-редуктора:
- Нагрузка, оказываемая на устройство, может носить переменный или постоянный характер как по показателям величины, так и по параметрам направления;
- Выходной вал вращается в обе стороны, предпочтений нет;
- Крутящий момент рекомендуется передавать посредством промежуточного устройства, которое предусматривает возможность исключения действия поперечных сил на вал м-редуктора;
- Температурные требования среды: от -40°С до +40°С;
- Особенности климатических исполнений мотор-редукторов: У, Т, категории размещения 2, 3 (ГОСТ 15150-69), высота над уровнем моря <1000метров;
- Требования к окружающей среде: неагрессивная, непроводящая пыль <10 мг/м³, значения относительной влажности не более 80%, температура +20°С - для устройств, оснащенных закрытыми обдуваемыми электродвигателями;
- Параметры взрывоопасности: зона В-1а, категория взрывоопасных смесей II-А, II-В, категория взрывоопасных смесей t°C самовоспламенения Т4 согласно ПУЭ для мотор-редукторов, оснащенных взрывозащищенными электродвигателями.
Общее описание:
Мотор-редукторы модификаций МПО2М-10 и МПО2М-15 могут иметь несколько вариантов исполнения, которые разделяются, исходя из особенностей монтажа и положению в пространстве:
- Щ - горизонтальное исполнение (опорные лапы);
- Ф - горизонтальное исполнение (опорный фланец);
- В – вертикальное исполнение (опорный фланец);
- ВК - вертикальное исполнение на опорном фланце, кольцевая канавка на валу.
Оборудование характеризуется высоким качеством, которое подтверждается не только в ходе многочисленных исследований, но и положительными отзывами покупателей и заказчиков. Стоимость мотор-редукторов окупается максимально быстро за счет высоких показателей КПД систем и процессов, предполагающих использование этого типа приводного устройства.

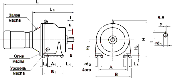
РИС 1. Мотор-редуктор горизонтального исполнения на лапах – Щ
|
Габарит |
L1 |
L2 |
L3 |
L4 |
l |
A |
A1 |
В |
B1 |
С |
H |
H1 |
H2 |
d1 |
d2 |
R |
t |
|---|---|---|---|---|---|---|---|---|---|---|---|---|---|---|---|---|---|
|
МПО2М-10 |
125 |
40 |
420 |
60 |
80 |
250 |
150 |
300 |
210 |
12 |
370 |
160 |
20 |
40 |
17 |
150 |
43 |
|
МПО2М-15 |
215 |
65 |
615 |
100 |
140 |
390 |
210 |
460 |
300 |
18 |
496 |
225 |
35 |
65 |
22 |
210 |
69 |
ТАБЛ 1. Мотор-редуктор горизонтального исполнения на лапах

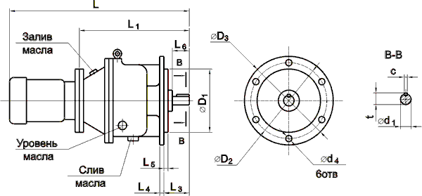
РИС 2. Мотор-редуктор горизонтального фланцевого исполнения – Ф

РИС 3. Мотор-редуктор вертикального фланцевого исполнения – В и ВК
|
Габарит |
L1 |
L3 |
L4 |
L5 |
L6 |
D1 |
D2 |
D3 |
d1 |
d2 |
d3 |
d4 |
l1 |
l2 |
c |
t |
|---|---|---|---|---|---|---|---|---|---|---|---|---|---|---|---|---|
|
МПО2М-10 |
420 |
110 |
16 |
6 |
80 |
270 |
300 |
330 |
40 |
32 |
38 |
13 |
11 |
4 |
12 |
43 |
|
МПО2М-15 |
615 |
190 |
20 |
10 |
140 |
330 |
375 |
420 |
65 |
55 |
62 |
22 |
14 |
6 |
18 |
69 |
ТАБЛ 2. Мотор-редуктор горизонтального и вертикального фланцевого исполнения – Ф , В и ВК
Технические характеристики МПО2М
|
Мотор-редуктор |
Электродвигатель |
|||||
|---|---|---|---|---|---|---|
|
Типоразмер |
Передаточное число |
Номинальная частота вращения выходного вала, об/мин |
масса мотор-редуктора, кг,не более. |
Корректированный уровень звуковой мощности по шкале А, дБ, не более |
Тип |
Мощность, кВт |
|
МПО2М-10 |
23,1 |
63 |
102 |
89 |
4АМХ100s4 |
3 |
|
142 |
2В100s4 |
|||||
|
28,2 |
50 |
102 |
4АМХ100s4 |
|||
|
142 |
2В100s4 |
|||||
|
86 |
86 |
4АМХ80B4 |
1,5 |
|||
|
100 |
B80B4 |
|||||
|
81 |
4АМХ71B4 |
0,75 |
||||
|
88 |
B71B4 |
|||||
|
45,5 |
31,5 |
86 |
4АМХ80B4 |
1,5 |
||
|
100 |
B80B4 |
|||||
|
45,5 |
31,5 |
81 |
86 |
4АМХ71B4 |
0,75 |
|
|
88 |
B71B4 |
|||||
|
66,5 |
20 |
86 |
4АМХ80B4 |
1,5 |
||
|
100 |
B80B4 |
|||||
|
81 |
4АМХ71B4 |
0,75 |
||||
|
88 |
B71B4 |
|||||
|
81,6 |
16 |
81 |
4АМХ71B4 |
|||
|
88 |
B71B4 |
|||||
|
208 |
6,3 |
71 |
4АА63B4 |
0,37 |
||
|
85 |
B63B4 |
|||||
|
2190 |
0,63 |
71 |
4АА63B4 |
|||
|
85 |
B63B4 |
|||||
|
МПО2М-15 |
24,6 |
59 |
267 |
93 |
4АМ132М4 |
11 |
|
315 |
2В132М4 |
|||||
|
252 |
4АМ132s4 |
7,5 |
||||
|
305 |
2В132s4 |
|||||
|
267 |
4АМ132М4 |
11 |
||||
|
315 |
2В132М4 |
|||||
|
252 |
4АМ132s4 |
7,5 |
||||
|
305 |
2В132s4 |
|||||
|
228 |
4АМ112МА4 |
5,5 |
||||
|
270 |
2В112М4 |
|||||
|
46,9 |
31 |
228 |
4АМ112МА4 |
|||
|
270 |
2В112М4 |
|||||
|
81,5 |
18 |
207 |
89 |
4АМХ100sА4 |
3 |
|
|
260 |
2В100s4 |
|||||
|
101,7 |
14 |
191 |
86 |
4АМХ80В4 |
1,5 |
|
|
204 |
В80В4 |
|||||
|
204 |
6,7 |
186 |
4АМХ71В4 |
0,75 |
||
|
195 |
В71В4 |
|||||
|
4,6 |
190 |
4АМХ80А6 |
||||
|
202 |
В80А6 |
|||||
|
2469 |
0,56 |
186 |
4АМХ71А4 |
0,55 |
||
|
195 |
В71А4 |
|
||||
|
Типоразмер |
Радиус водила, мм |
Допускаемый крутящий момент на выходном валу, Н*м |
Допускаемые нагрузки на выходном валу, Н |
|
|---|---|---|---|---|
|
радиальная |
осевая |
|||
|
МПО2М-10 |
50 |
600 |
3000 |
1500 |
|
МПО2М-15 |
75 |
2350 |
7000 |
3000 |
|
Габаритные размеры комплектующих электродвигателей |
|||
|---|---|---|---|
|
Тип 4А |
Тип 2B |
||
|
Габарит |
L, mm |
Габарит |
L, mm |
|
63В4 |
186 |
63В4 |
245 |
|
71А4 |
245 |
71А4 |
265 |
|
71В4 |
245 |
71В4 |
265 |
|
80А6 |
260 |
80А6 |
300 |
|
80В4 |
270 |
80В4 |
300 |
|
100S4 |
305 |
100S4 |
455 |
|
112MA4 |
372 |
112MA4 |
520 |
|
132M4 |
450 |
132M4 |
540 |
|
132S4 |
400 |
132S4 |
505 |
Пример условного обозначения при заказе:
Мотор-редуктор МПО2М-10Щ-28,2-1,5/50АМХ80В4У3 ТУ 2-056-223-84, где:
- МПО2М - тип мотор-редуктора;
- 10 - условный диаметр водила, см;
- Щ - горизонтальное на опорных лапах;
- 28,2 - передаточное число;
- 1,5 - мощность комплектующего двигателя, кВт;
- 50 - частота вращения выходного вала, об/мин;
- 4АМХ80В4 - комплектующий двигатель;
- У3 - климатическое исполнение и категория размещения.
То же, климатического исполнения Т3
МПО2М-10Щ-28,2-1,5/50АМХ80В4T3 ТУ 2-056-223-84.